top of page


Process
Our design process follows a clear and structured approach to bring physical products to life, from early research to production-ready design.
Each phase is rooted in a deep understanding of users and seamless integration between product functionality and experience.

Research & Charactarization
Identify innovation opportunities by analyzing pain points and searching for specific solutions, leading to Product Requirements Document.


Industrial Design
Creating the ideal structure and shape, considering ergonomics, human factors, user experience, production methods, colors, materials, and finish.
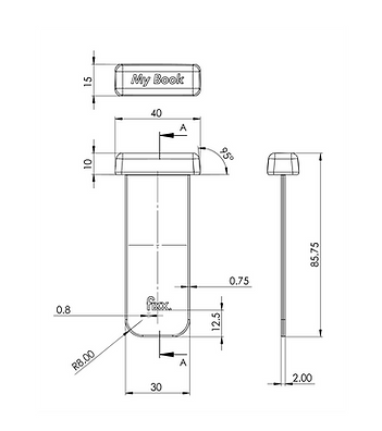
Production Support
Technical drawings for prototypes & mass production, including BOM (Bill of Materials) and general support.

Concept Development
Develop and analyze configuration concepts that best meet users' needs, timeline, and budget.
From idea to product,
we’re your design partner.
bottom of page


